Cub Cadet Big Country Wiring Diagram
 
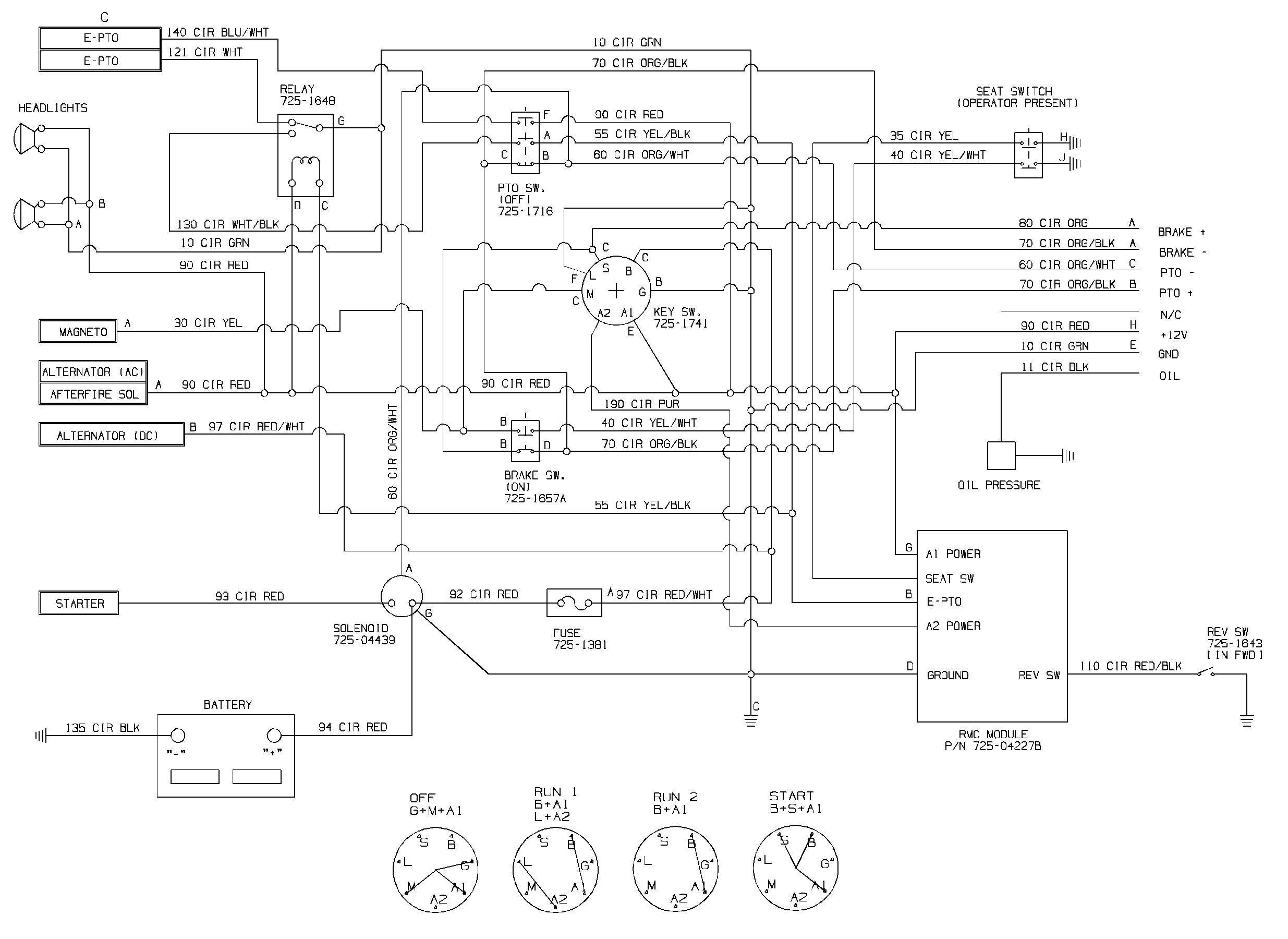
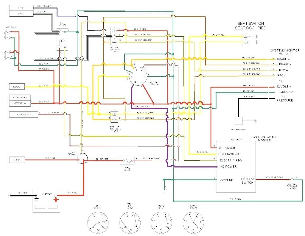
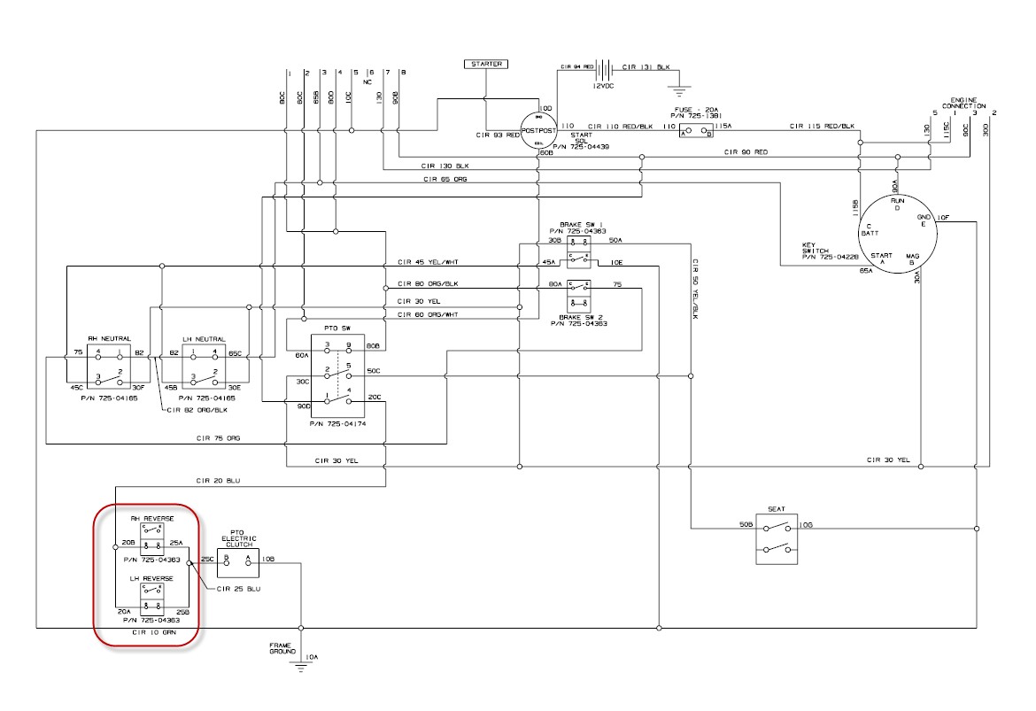
										Electrical wiring diagrams may be found in the operator s manual.
Cub cadet big country wiring diagram.
Visit cub cadet for a great selection of premium riding lawn mowers lawn tractors zero turn mowers snow blowers parts and accessories. Use keywords or part numbers instead of full sentences for best results. Cub cadet genuine parts gives you a genuine advantage. These are the only parts with the in depth engineering and rigid testing that assures long lasting quality.Cub cadet repair parts and parts diagrams for cub cadet big country 414 37an414j710 cub cadet 4x2 utility vehicle. The bolt and nut connecting the link to level more frequently until the big country 4 x 2 the frame are sae. Cub cadet 431 4x2 utility vehicle camo 37ab431d710 37ab431d710 big country parts diagrams 431 4x2 utility vehicle camo 37ab431d710 37ab431d710 big country catalog search note. Page 16 big country 4 x 2.
You must read understand and follow all of the directions in this manual as well as the operator s manual before working on this power equipment. Please use the following links to contact the engine manufacturers via their web. The aforementioned products along with mirrors cab enclosures and sun visors are also available in our selection of cub cadet utv parts. Browse by model 4x2 se 4x4 4x4d big country 4x2 challenger 500 challenger 550 challenger 700 challenger 750 volunteer 4x2 volunteer 4x4 volunteer 4x4 trail volunteer 4x4d volunteer wt.
For electrical diagrams for specific engines and independent brands see below. More in depth electrical troubleshooting information may also be found in the professional shop manual for the product. 4x2 drive dana transaxle note. Cub cadet repair parts and parts diagrams for cub cadet big country 640 37as640b100 cub cadet 6x4 utility vehicle sn.
In addition to these cub cadet spec sheets you can also view a number of cub cadet manuals for some of the most popular cub cadet outdoor power equipment. Summary of contents for cub cadet big country 2004 page 1 this service manual is not a substitute for the operator s manual. Call center open from home and warehouse shipping to all 50 states with some usps ups fedex delays learn more order status customer support 512 288 4355 my account.
			Source : pinterest.com
		
						 
										
				 
										
				 
										
				 
										
				 
										
				 
										
				 
										
				 
										
				 
										
				 
										
				 
										
				 
										
				 
										
				 
										
				 
										
				 
										
				 
										
				