2001 Ktm 400 Exc Wiring Diagram
 
										Browse oem parts for ktm 520 exc racing 2001 wiring harness ktm online parts is your official 1 authorised retailer for ktm australia spare parts powerparts powerwear new used bikes ph 02 4037 3333 ktm newcastle.
2001 ktm 400 exc wiring diagram.
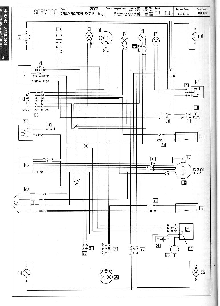
Fuel tank seat covering 250 380 2001. Wiring harness egs 125 380 2001. Page 68 schaltplan wiring diagram english battery cooling fan driving light lamp flasher control lamp flasher relay front brake switch generator handle bar switch for multi func digital speedometer. Put the spine label 170x45 mm into the transparent pocket provided for this purpose on the spine of the binder.Ktm repair manual in loose leaf form. Brake caliper rear brembo 2001. View and download ktm 400 exc owner s manual online. Technical specification periodic maintenance schedule wiring diagrams p d at i n g 250 300 380 sx mxc exc 11 1998 2 2000 3 2001 11 2002 edition 11 2002.
Navigate your 2001 ktm 520 exc racing usa schematics below to shop oem parts by detailed schematic diagrams offered for every assembly on your machine. Hand brake cylinder brembo 125 380 2001. Front wheel 125 380 exc 2001. Rear wheel 125 380 2001.
Ktm owner s manual motorcycle 250 sx f 250 exc 400 exc 450 sx xc exc 525 sx. Brake caliper front brembo 125 380 2000. Put the front page of the repair manual 210x297 mm into the transparent pocket provided for this purpose on the outside of the binder. 2001 ktm wiring diagram diagrams data 1995 home rk 1277 as well 525 exc kb 3202 300 400 bolton motorcycles racing 500 library 640 lc4 resources wrg 7679 450 520 sx 2000 2002 2003 service repair kk 4219 2001 ktm wiring diagram diagrams data 1995 ktm wiring diagram home diagrams rk 1277 wiring diagram as well ktm 525 read more.
Page 9 3 206 004 e updating of rep manual 3 205 63 e modelyear 2003 engine number with first digit 3 modification updating. Ktm 250 400 450 520 525 sx mxc exc racing service repair manual cd. Zx 1936 ktm duke 690 wiring diagram 2005 450 mxc wire search 525 diagrams exc library ac 200 bakso opo harness sdo ky 8125 1995. Storing the repair manual in the binder put the index into the binder.
			Source : pinterest.com
		
						 
										
				 
										
				 
										
				 
										
				 
										
				 
										
				 
										
				 
										
				 
										
				 
										
				 
										
				 
										
				 
										
				 
										
				 
										
				 
										
				 
										
				 
										
				